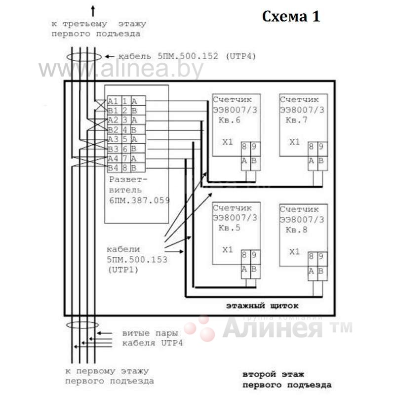
Разветвители 6ПМ.387.059 предназначены для электрического соединения магистральных и присоединительных кабелей между собой.Данный разветвитель ориентирован производителем на применение при построении систем "АСКУЭ-БЫТ ВЗЭП 2002" (смотрите информацию на сайте производителя). Однако данный разветвитель часто применяют и при проектировании систем АСКУЭ на базе других приборов учета.
Область применения – системы АСКУЭ бытовых потребителей производства ОАО "ВЗЭП". При этом, данный разветвитель интерфейсов можно использовать и для коммутации интерфейсных кабелей АСКУЭ других производителей.
Разветвитель интерфейсов ВЗЭП 6ПМ.387.059
- Производитель: ВЗЭП, ОАО
- Модель: RS-485 6ПМ.387.059
- Наличие: В наличии
-
30.00 BYN с НДС



















































