Цена носит справочный характер. Уточняйте стоимость по телефонам.
НАЗНАЧЕНИЕ
Измерительные трансформаторы тока (ИТТ) ТОП-0,66 и ТШП-0,66 предназначены для передачи сигнала измерительной информации измерительным приборам и применяются в схемах измерения и учета электроэнергии в установках переменного тока частоты 50 Гц с номинальным напряжением до 0,66 кВ включительно.
Сердечники трансформаторов тока на первичные токи 10 … 500 А имеют два варианта конструктивного исполнения:
- 1- из электротехнической стали - для ИТТ класса точности 0,5S;
- 2 – комбинированный из электротехнической стали и нанокристаллического сплава - для ИТТ класса точности 0,2 и 0,2S;
Номер варианта исполнения сердечника входит в состав условного обозначения ИТТ.
Сердечники трансформаторов тока на первичные токи 800 … 5000 А выполнены из электротехнической стали.
Трансформаторы тока ТШП-0,66 с уширенным окном для токоведущей шины на первичные токи 400 … 5000 А имеют следующие варианты исполнения в зависимости от размера окна (номер варианта исполнения отверстия так же входит в состав условного обозначения этих ИТТ):
- I – 23х103 мм (трансформаторы на первичные токи 800 … 2000 А);
- II – 38х81 мм (трансформаторы на первичные токи 400 … 1000 А);
- III – 60х131 мм (трансформаторы на первичные токи 1000 … 5000 А).
Контактные зажимы вторичной обмотки закрыты прозрачной пластмассовой крышкой с возможностью опломбирования.
В конструкции трансформаторов ТОП-0,66 и ТШП-0,66 предусмотрено наличие двойных контактов, предназначенных для обеспечения возможности проведения контрольных проверок на объекте без отключения нагрузки и, для класса точности 0,5S; 0,2 и 0,2S пломбируемого контакта потенциального вывода для подключения обмотки напряжения счетчика, что препятствует хищению электроэнергии. Детали корпуса ИТТ выполнены из трудногорючей пластмассы.
По заказу потребителя трансформаторы тока ТШП на первичныее токи 600 и 800 А могут комплектоваться алюминиевой шиной, а трансформаторы ТШП на первичные токи 1000, 1500 и 2000 А - медной или алюминиевой шиной (размеры шин смотри в руководстве по эксплуатации).
Модификации трансформаторов:
ТОП-0,66-1(2) от 10/5 до 500/5.
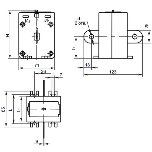
Опорные с зафиксированной встроенной шиной - ТОП-0,66-1(2) от 10/5 до 150/5 (рис.1).
![]() |
![]() |
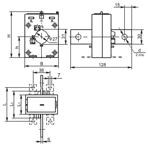
Опорно-проходные со съемной шиной - ТОП-0,66-1(2) от 200/5 до 500/5 (рис.2).
![]() |
![]() |
Параметры трансформаторов опорных (опорно-проходных) ТОП-0,66-1(2):
| Тип ИТТ | Ном. первич. ток, А |
Кл. точн. |
Ном. вторич. нагрузка, ВА |
Рис | В | d | h | H | L1 | L2 | L | S | Масса, кг без шины |
Масса, кг с шиной |
| ТОП- 0,66-1 |
10; 20;100 | 0,5S | 1 | 1 | 71 | 9,0 | 43 | 97 | 55 | - | 74 | 1,5 | - | 0,60 |
| 30; 75; 150 | 0,65 | |||||||||||||
| 40; 50 | 0,62 | |||||||||||||
| 200 | 2 | 10,5 | 47 | 70 | 72 | 4 | 0,52 | 0,57 | ||||||
| 250; 300 | 0,55 | 0,60 | ||||||||||||
| 400 | 13,0 | 5 | ||||||||||||
| 500 | 0,60 | 0,65 | ||||||||||||
| 10; 20; 30; 40; 100; 150 |
0,5; 0,5S | 5 | 1 | 9,0 | 55 | - | 74 | 1,5 | - | 0,65 | ||||
| 50 | 0,5; 0,5S | 0,70 | ||||||||||||
| 200 | 0,5S | 0,65 | ||||||||||||
| 50 | 0,5S | 10 | 0,83 | |||||||||||
| 0,5 | 10; 15; 20 | |||||||||||||
| 1 | 10; 15; 20; 30 | |||||||||||||
| 75 | 0,5S | 10 | 0,80 | |||||||||||
| 0,5 | 10; 15; 20 | |||||||||||||
| 1 | 10; 15; 20; 30 | |||||||||||||
| 150 | 0,5S | 10 | 0,75 | |||||||||||
| 0,5 | 10; 15; 20 | |||||||||||||
| 1 | 10; 15; 20; 30 | |||||||||||||
| 100; 200 | 1; 0,5 | 10; 15; 20 | ||||||||||||
| 200 | 0,5 | 5 | 2 | 0,60 | 0,65 | |||||||||
| 250; 300 | 0,5; 0,5S | 0,55 | 0,60 | |||||||||||
| 400 | 0,5; 0,5S | 13,0 | 5 | 0,60 | 0,65 | |||||||||
| 1; 0,5 | 10; 15; 20 | 0,65 | 0,70 | |||||||||||
| 500 | 0,5; 0,5S; 0,2 |
5 | 0,60 | 0,65 | ||||||||||
| ТОП- 0,66-2 |
10;20;40; 50;100 |
0,2S | 1 | 1 | 9,0 | 55 | - | 74 | 1,5 | - | 0,65 | |||
| 30; 75; 150 | 0,70 | |||||||||||||
| 200; 250; 300 | 2 | 10,5 | 47 | 70 | 72 | 4 | 0,60 | 0,65 | ||||||
| 400 | 13,0 | 5 | ||||||||||||
| 500 | 0,62 | 0,67 | ||||||||||||
| 10; 20; 30; 40; 75; 100; 150 |
0,5S | 5 | 1 | 9,0 | 55 | - | 74 | 1,5 | - | 0,60 | ||||
| 50 | 0,65 | |||||||||||||
| 200 | 2 | 10,5 | 47 | 70 | 72 | 4 | 0,61 | 0,66 | ||||||
| 300 | 0,55 | 0,60 | ||||||||||||
| 400 | 13,0 | 5 | ||||||||||||
| 10; 20; 30; 40; 75; 100; 150; 200 |
0,2; 0,2S | 1 | 9,0 | 55 | - | 74 | 1,5 | - | 0,70 | |||||
| 50 | 0,75 | |||||||||||||
| 300 | 2 | 10,5 | 47 | 70 | 72 | 4 | 0,60 | 0,65 | ||||||
| 400 | 13,0 | 5 | 0,65 | 0,70 | ||||||||||
| 500 | 0,2S | 0,62 | 0,67 |
ТШП-0,66-1(2) от 200/5 до 2000/5.
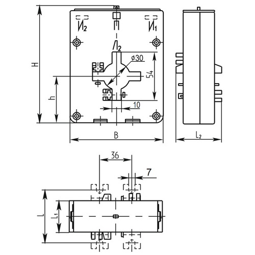
Трансформаторы шинные ТШП-0,66-1(2) от 200/5 до 500/5 (рис.3).
![]() |
![]() |
Трансформаторы шинные ТШП-0,66-1(2) 600/5 и 800/5 (рис.4).
![]() |
![]() |
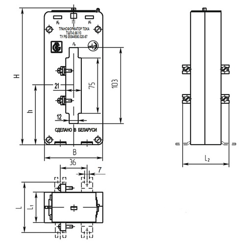
Трансформаторы шинные ТШП-0,66-1(2) 1000/5, 1500/5 и 2000/5 (рис.5).
![]() |
![]() |
Параметры трансформаторов шинных ТШП-0,66-1(2):
| Тип ИТТ | Ном. первич. ток, А |
Кл. точн. |
Ном. вторич. нагрузка, ВА |
Рис | B | d | h | H | L1 | L2 | L | S | Масса, кг без шины |
Масса, кг с шиной |
| ТШП-0,66-1 | 200 | 0,5S | 1 | 3 | 71 | 10,5 | 43 | 97 | 47 | 70 | 72 | 4 | 0,52 | 0,57 |
| 250; 300 | 0,55 | 0,60 | ||||||||||||
| 400 | 13,0 | 5 | ||||||||||||
| 500 | 0,60 | 0,65 | ||||||||||||
| 200 | 0,5 | 5 | 10,5 | 4 | ||||||||||
| 250; 300 | 0,5; 0,5S | 0,55 | 0,60 | |||||||||||
| 400 | 0,5; 0,5S | 13,0 | 5 | 0,60 | 0,65 | |||||||||
| 1; 0,5 | 10; 15; 20 | 0,65 | 0,70 | |||||||||||
| 500 | 0,5; 0,5S; 0,2 | 5 | 0,60 | 0,65 | ||||||||||
| 600 | 1; 0,5; 0,5S | 5; 10; 15; 20; 30 | 4 | 105 | 13,0 | 52 | 132 | 35 | 60 | 60 | 8 | 0,87 | 1,04 | |
| 800 | 0,90 | 1,07 | ||||||||||||
| 1000 | 0,5 | 5; 10; 15; 20; 30 | 5 | 80 | 14 | 81 | 187 | 41 | 65 | 68 | 10 | 0,97 | 1,45* 2,55** | |
| 0,5S | 1,20 | 1,68* 2,78** | ||||||||||||
| 1500 | 0,5 | 0,85 | 1,33* 2,43** | |||||||||||
| 0,5S | 1,05 | 1,53* 2,63** | ||||||||||||
| 2000 | 0,5 | 0,9 | 1,38* 2,48** | |||||||||||
| 0,5S | ||||||||||||||
| ТШП-0,66-2 | 100; 150 | 0,5S | 1 | 3 | 71 | 10,5 | 43 | 97 | 47 | 70 | 72 | 4 | 0,52 | 0,57 |
| 200; 250;300 | 0,2S | 0,60 | 0,65 | |||||||||||
| 400 | 13,0 | 5 | ||||||||||||
| 500 | 0,62 | 0,67 | ||||||||||||
| 200 | 0,5S | 5 | 10,5 | 4 | 0,61 | 0,66 | ||||||||
| 250 | 0,2; 0,2S | 0,60 | 0,65 | |||||||||||
| 300 | 0,5S; 0,2; 0,2S | 0,70 | 0,75 | |||||||||||
| 400 | 13,0 | 5 | 0,65 | 0,70 | ||||||||||
| {500} | 0,2S | 0,62 | 0,67 | |||||||||||
| * С алюминиевой шиной, ** С медной шиной | ||||||||||||||
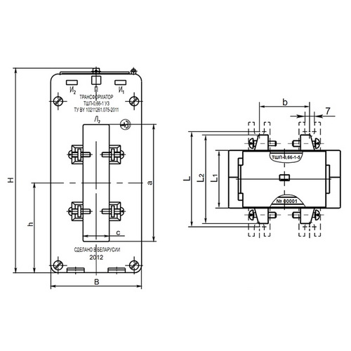
ТШП-0,66-I, ТШП-0,66-II, ТШП-0,66-III от 400/5 до 5000/5.
Трансформаторы шинные ТШП-0,66-I от 800/5 до 2000/5.
![]() |
![]() |
Трансформаторы шинные ТШП-0,66-II от 400/5 до 1000/5.
![]() |
![]() |
Трансформаторы шинные ТШП-0,66-III от 1000/5 до 5000/5.
![]() |
![]() |
Параметры трансформаторов шинных ТШП-0,66-I (II, III):
| Тип ИТТ | Ном. первич. ток, А |
Кл. точн. |
Ном. вторич. нагрузка, ВА |
В | b | a | c | h | H | L1 | L2 | L | Масса, кг |
| ТШП- 0,66-I |
800 | 1; 0,5 | 5; 10; 15 | 80 | 36 | 103 | 23 | 80 | 182 | 41 | 65 | 68 | 0,84 |
| 0,5S | 5; 10 | ||||||||||||
| 1000 | 1; 0,5; 0,5S | 5; 10; 15 | 0,87 | ||||||||||
| 1200 | 0,91 | ||||||||||||
| 1500 | 0,95 | ||||||||||||
| 2000 | 1,03 | ||||||||||||
| ТШП- 0,66-II |
400 | 1 | 5; 10; 15 | 90 | 81 | 38 | 70 | 162 | 50 | 75 | 77 | 1,17 | |
| 0,5 | 5; 10 | ||||||||||||
| 0,5S | 5 | ||||||||||||
| 500 | 1 | 5; 10; 15 | 1,19 | ||||||||||
| 0,5 | 5; 10 | ||||||||||||
| 0,5S | 5 | ||||||||||||
| 600 | 1 | 5; 10; 15 | 1,21 | ||||||||||
| 0,5 | 5; 10 | ||||||||||||
| 0,5S | 5 | ||||||||||||
| 800 | 1 | 5; 10; 15 | 1,00 | ||||||||||
| 0,5 | 5; 10 | ||||||||||||
| 0,5S | 5 | ||||||||||||
| 1000 | 1 | 5; 10; 15 | 1,03 | ||||||||||
| 0,5 | 5; 10 | ||||||||||||
| 0,5S | 5 | ||||||||||||
| ТШП- 0,66-III |
1000 | 1; 0,5; 0,5S | 5; 10; 15 | 120 | 60 | 131 | 60 | 98 | 222 | 41 | 65 | 68 | 1,15 |
| 1200 | 1,18 | ||||||||||||
| 1500 | 1,23 | ||||||||||||
| 2000 | 1,11 | ||||||||||||
| 2500 | 1,20 | ||||||||||||
| 3000 | 1,24 | ||||||||||||
| 4000 | 1,44 | ||||||||||||
| 5000 | 2,00 |
ОБЩИЕ TEХНИЧЕСКИЕ ДАННЫЕ
Гарантийный период – два года с начала эксплуатации, но не более трех лет от даты продажи.
Трансформаторы соответствуют требованиям ГОСТ 7746-2001.
Вид климатического исполнения – У3 по ГОСТ 15150-69.
Класс нагревостойкости изоляции – В по ГОСТ 8865-93.
Трансформаторы проходят поверку представителями Госстандарта.
Трансформаторы устойчивы к воздействию внешних механических факторов для группы механического исполнения М2 ГОСТ 30631-99 и рассчитаны на установку на высоте над уровнем моря не более 1000 м.
По способу защиты от поражения электрическим током трансформаторы относятся к классу 0 по ГОСТ 12.2.007.0-75 и имеют степей защиты IP00 по ГОСТ 14254-96.Исполнение трансформаторов по условиям установки на месте работы – встраиваемые, допускают установку в пространстве в любом положении.
Трансформаторы тока ТОП-0,66 и ТШП-0,66. МОДЕЛЬНЫЙ РЯД.
- Производитель: МЭТЗ им. В.И. Козлова, ОАО
- Модель: ТОП-0,66 и ТШП-0,66
- Наличие: В наличии
-
40.00 BYN с НДС
































































